Trusted by...
WHY CHOOSE US?
Save 20%
Average savings on all products
Trusted Brands
Top quality fitters and pumps
Expert Support
Our team is here to help
Frequently Asked Questions
What types of products does Supreme Water Sales offer?
We offer a wide range of water-related products, including:
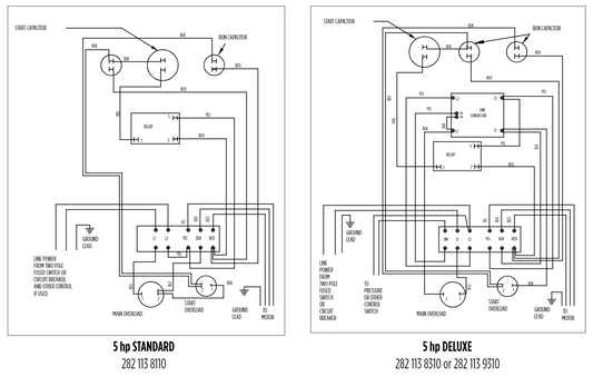
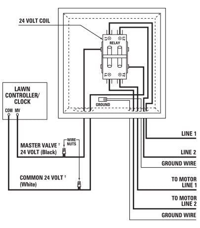
- Well pumps (jet, submersible, irrigation)
Pump parts & accessories - Pool equipment (pump motors, filters, seal kits, cleaners)
- Water purification systems (filter housings, RO systems, UV systems, anti-scale systems)
- Replacement filters & media (sediment, carbon, specialty, RO membranes, resins)
Do you sell directly online?
Yes, Supreme Water Sales operates as an online retailer of well water pumps, pool motors, water filtration, purification systems, and related accessories.
Do you offer any special discounts?
Yes! Supreme Water Sales offers several ways to save:
- 55% of most well pumps and pump equipment with the coupon code 55off.
- Bulk order Discount are also available—contact us directly for volume pricing on large or commercial orders.
Where are you located and where do you operate from?
- Headquarters: 7220 Congress St., New Port Richey, Florida
- Service Hours: Monday–Friday, 9:00 am–5:00 pm (EST)
- Supreme Water Sales is BBB accredited, rated A+, with business operations dating back to 2006/2007, and accreditation starting in February 2022.

















